Yamaha Tank Fitting .   about this item. Our yamaha outboard fuel lines & fittings are at the lowest. Brass construction quick connect tank fitting for.  the yamaha tank connector is designed to fit most yamaha outboard engines, making it a versatile and essential part for your boating needs.  tank and engine fittings designed to be oem compliant and fit outboard engines in use today.  yamaha female fuel fitting 3/8 barb made in taiwan.  shop yamaha outboard fuel lines & fittings at wholesale marine. Fits all plastic tanks outlets.  the attwood quick connect yamaha tank fitting installs in fuel tanks with standard, 1/4 male npt thread.   connect your tank and fuel lines with confidence; Solid machined brass for dependable performance and peace of mind. Solid machined brass construction holds up to leaded, unleaded,.  west marine fuel line connector for yamaha. Plastic body female connectors with. Male fuel connector to suit yamaha motors.
        
         
         
        from www.ebay.co.uk 
     
        
         yamaha fuel line assembly made from reinforced 8mm 5/16 fuel hose with primer bulb and standard yamaha tank to engine. Fits all plastic tanks outlets.  the yamaha tank connector is designed to fit most yamaha outboard engines, making it a versatile and essential part for your boating needs. The quick connect design makes it easy to install. Brass construction quick connect tank fitting for.  yamaha female fuel fitting 3/8 barb made in taiwan. Connectors features high quality brass.   about this item.  tank and engine fittings designed to be oem compliant and fit outboard engines in use today. Solid machined brass construction holds up to leaded, unleaded,.
    
    	
            
	
		 
	 
         
    Yamaha Outboard 25L Fuel Tank Pickup Fuel tank fitting Quick 
    Yamaha Tank Fitting  The quick connect design makes it easy to install.   about this item.  shop yamaha outboard fuel lines & fittings at wholesale marine.  yamaha fuel line assembly made from reinforced 8mm 5/16 fuel hose with primer bulb and standard yamaha tank to engine.  tank and engine fittings designed to be oem compliant and fit outboard engines in use today. Connectors features high quality brass.  the yamaha tank connector is designed to fit most yamaha outboard engines, making it a versatile and essential part for your boating needs.  west marine fuel line connectors for yamaha outboard motors.  west marine fuel line connector for yamaha. Our yamaha outboard fuel lines & fittings are at the lowest. Fits all plastic tanks outlets. Plastic body female connectors with stainless steel fittings. Plastic body female connectors with. Male fuel connector to suit yamaha motors.   connect your tank and fuel lines with confidence; The quick connect design makes it easy to install.
            
	
		 
	 
         
 
    
         
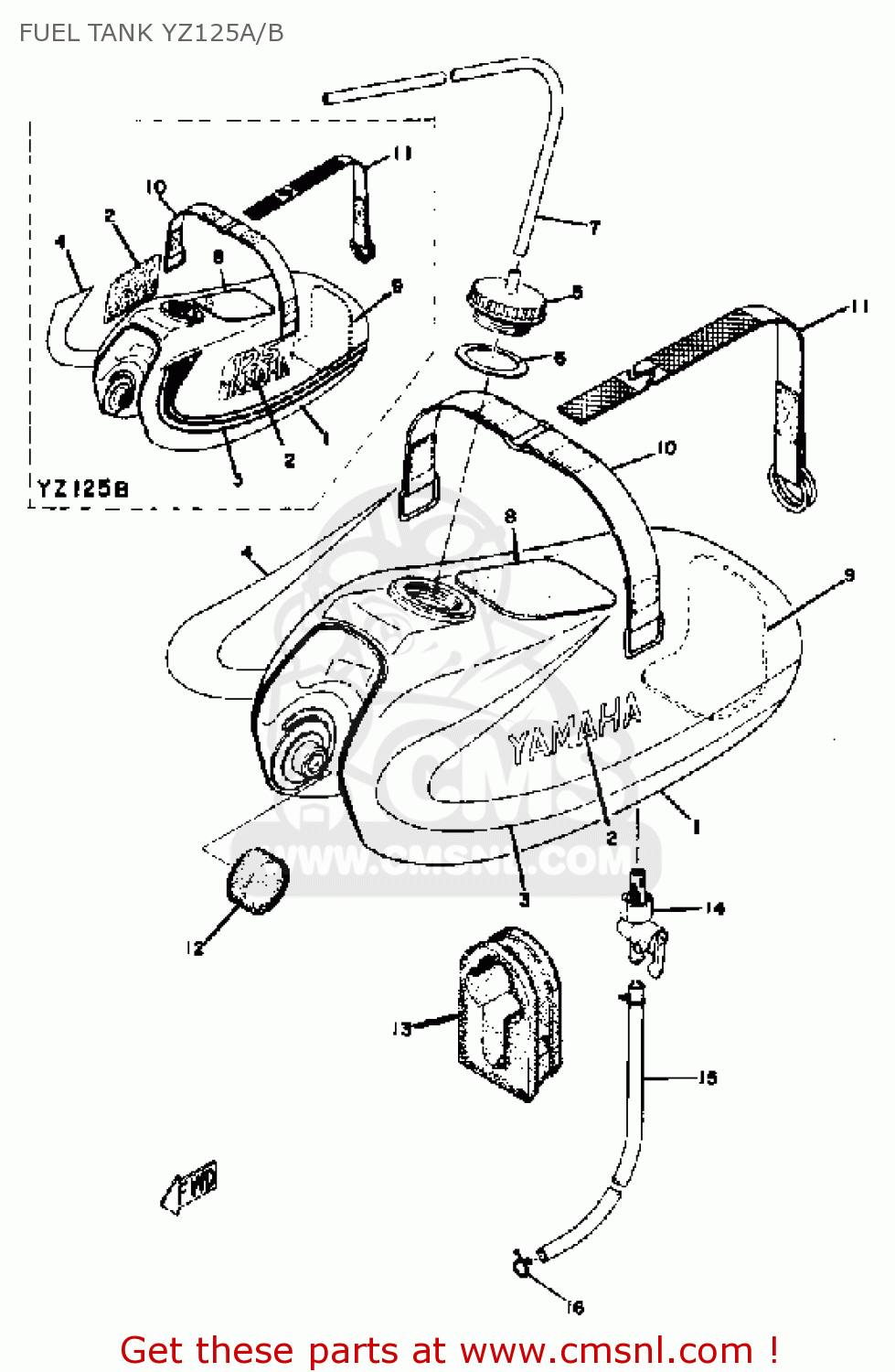
        From www.cmsnl.com 
                    7T22417300 Band, Tank Fitting Yamaha buy the 7T22417300 at CMSNL Yamaha Tank Fitting  Solid machined brass construction holds up to leaded, unleaded,.   about this item.  yamaha female fuel fitting 3/8 barb made in taiwan. *please check the codes and images to ensure this item is suitable for.  west marine fuel line connectors for yamaha outboard motors.  west marine fuel line connector for yamaha.  yamaha fuel line assembly made. Yamaha Tank Fitting.
     
    
         
        From www.cmsnl.com 
                    1262177600 Band, Tank Fitting Yamaha buy the 1262177600 at CMSNL Yamaha Tank Fitting  Plastic body female connectors with. *please check the codes and images to ensure this item is suitable for. Plastic body female connectors with stainless steel fittings. Connectors features high quality brass.   connect your tank and fuel lines with confidence; The quick connect design makes it easy to install. Brass construction quick connect tank fitting for.  yamaha female fuel. Yamaha Tank Fitting.
     
    
         
        From www.cmsnl.com 
                    4FE2134500 Bracket, Tank Fitting Yamaha buy the 4FE2134500 at CMSNL Yamaha Tank Fitting  The quick connect design makes it easy to install. Solid machined brass construction holds up to leaded, unleaded,.   about this item.  the yamaha tank connector is designed to fit most yamaha outboard engines, making it a versatile and essential part for your boating needs. Fits all plastic tanks outlets.   connect your tank and fuel lines with confidence;. Yamaha Tank Fitting.
     
    
         
        From www.cmsnl.com 
                    2C02413Y00 Bracket, Tank Fitting Yamaha buy the 2C02413Y00 at CMSNL Yamaha Tank Fitting  Connectors features high quality brass.  tank and engine fittings designed to be oem compliant and fit outboard engines in use today. Plastic body female connectors with stainless steel fittings. Male fuel connector to suit yamaha motors. Solid machined brass construction holds up to leaded, unleaded,. Brass construction quick connect tank fitting for.  the yamaha tank connector is designed. Yamaha Tank Fitting.
     
    
         
        From toolmartinc.com 
                    Attwood Tank Fitting for Yamaha 1/4" Male NPT Threaded Damaged Box Yamaha Tank Fitting  Our yamaha outboard fuel lines & fittings are at the lowest. Plastic body female connectors with stainless steel fittings.  west marine fuel line connector for yamaha.  the attwood quick connect yamaha tank fitting installs in fuel tanks with standard, 1/4 male npt thread. Brass construction quick connect tank fitting for.   about this item. Connectors features high quality. Yamaha Tank Fitting.
     
    
         
        From www.cmsnl.com 
                    1W12417300 Band, Tank Fitting Yamaha buy the 1W12417300 at CMSNL Yamaha Tank Fitting   yamaha fuel line assembly made from reinforced 8mm 5/16 fuel hose with primer bulb and standard yamaha tank to engine. Plastic body female connectors with stainless steel fittings.  the attwood quick connect yamaha tank fitting installs in fuel tanks with standard, 1/4 male npt thread. Our yamaha outboard fuel lines & fittings are at the lowest. Solid machined. Yamaha Tank Fitting.
     
    
         
        From tromblystacklebox.com 
                    Yamaha Male Tank Fitting 1/4" NPT Brass Trombly's Tackle Box Yamaha Tank Fitting  The quick connect design makes it easy to install.  the attwood quick connect yamaha tank fitting installs in fuel tanks with standard, 1/4 male npt thread. Plastic body female connectors with.   about this item. Solid machined brass construction holds up to leaded, unleaded,. *please check the codes and images to ensure this item is suitable for. Plastic body. Yamaha Tank Fitting.
     
    
         
        From www.cmsnl.com 
                    4532419900 Band, Tank Fitting 2 Yamaha buy the 4532419900 at CMSNL Yamaha Tank Fitting  Male fuel connector to suit yamaha motors.  shop yamaha outboard fuel lines & fittings at wholesale marine. Our yamaha outboard fuel lines & fittings are at the lowest.  yamaha fuel line assembly made from reinforced 8mm 5/16 fuel hose with primer bulb and standard yamaha tank to engine.  yamaha female fuel fitting 3/8 barb made in taiwan.. Yamaha Tank Fitting.
     
    
         
        From www.cmsnl.com 
                    5G32177600 Band, Tank Fitting Yamaha buy the 5G32177600 at CMSNL Yamaha Tank Fitting   west marine fuel line connectors for yamaha outboard motors.  yamaha female fuel fitting 3/8 barb made in taiwan. *please check the codes and images to ensure this item is suitable for.  the yamaha tank connector is designed to fit most yamaha outboard engines, making it a versatile and essential part for your boating needs.   connect your. Yamaha Tank Fitting.
     
    
         
        From www.cmsnl.com 
                    5VY2413Y00 Bracket, Tank Fitting Yamaha buy the 5VY2413Y00 at CMSNL Yamaha Tank Fitting  Fits all plastic tanks outlets. Our yamaha outboard fuel lines & fittings are at the lowest. Brass construction quick connect tank fitting for. Connectors features high quality brass. The quick connect design makes it easy to install.  yamaha fuel line assembly made from reinforced 8mm 5/16 fuel hose with primer bulb and standard yamaha tank to engine.   connect. Yamaha Tank Fitting.
     
    
         
        From marine-deals.co.nz 
                    Buy Yamaha Fuel Tank Fittings online at MarineDeals.co.nz Yamaha Tank Fitting  Male fuel connector to suit yamaha motors. Solid machined brass construction holds up to leaded, unleaded,. Fits all plastic tanks outlets. Connectors features high quality brass. Plastic body female connectors with stainless steel fittings. Solid machined brass for dependable performance and peace of mind.  west marine fuel line connectors for yamaha outboard motors. Plastic body female connectors with. . Yamaha Tank Fitting.
     
    
         
        From www.homedepot.com 
                    Attwood Yamaha QuickConnect Barb Fuel Tank and Hose Fittings88976 Yamaha Tank Fitting   shop yamaha outboard fuel lines & fittings at wholesale marine.  the yamaha tank connector is designed to fit most yamaha outboard engines, making it a versatile and essential part for your boating needs.   connect your tank and fuel lines with confidence; Male fuel connector to suit yamaha motors.  tank and engine fittings designed to be oem. Yamaha Tank Fitting.
     
    
         
        From www.whitworths.com.au 
                    Yamaha Brass Fuel Tank Fitting, 10.95 Whitworths Marine Yamaha Tank Fitting   the attwood quick connect yamaha tank fitting installs in fuel tanks with standard, 1/4 male npt thread.  the yamaha tank connector is designed to fit most yamaha outboard engines, making it a versatile and essential part for your boating needs.  west marine fuel line connector for yamaha.  shop yamaha outboard fuel lines & fittings at wholesale. Yamaha Tank Fitting.
     
    
         
        From www.ebay.co.uk 
                    Yamaha Outboard 25L Fuel Tank Pickup Fuel tank fitting Quick Yamaha Tank Fitting   yamaha fuel line assembly made from reinforced 8mm 5/16 fuel hose with primer bulb and standard yamaha tank to engine. Plastic body female connectors with stainless steel fittings. Our yamaha outboard fuel lines & fittings are at the lowest.  tank and engine fittings designed to be oem compliant and fit outboard engines in use today. Brass construction quick. Yamaha Tank Fitting.
     
    
         
        From www.aliexpress.com 
                    Fuel Line Connectors fittings for Yamaha Outboard Motor Fuel Tank Hose Yamaha Tank Fitting   west marine fuel line connectors for yamaha outboard motors.  the attwood quick connect yamaha tank fitting installs in fuel tanks with standard, 1/4 male npt thread.  yamaha fuel line assembly made from reinforced 8mm 5/16 fuel hose with primer bulb and standard yamaha tank to engine.  tank and engine fittings designed to be oem compliant and. Yamaha Tank Fitting.
     
    
         
        From www.cmsnl.com 
                    4PX2417300 Band, Tank Fitting 1 Yamaha buy the 4PX2417300 at CMSNL Yamaha Tank Fitting  Solid machined brass for dependable performance and peace of mind.  west marine fuel line connector for yamaha.  shop yamaha outboard fuel lines & fittings at wholesale marine.   about this item. Brass construction quick connect tank fitting for.  the attwood quick connect yamaha tank fitting installs in fuel tanks with standard, 1/4 male npt thread.  yamaha. Yamaha Tank Fitting.
     
    
         
        From www.cmsnl.com 
                    3YL2417301 Band, Tank Fitting 1 Yamaha buy the 3YL2417301 at CMSNL Yamaha Tank Fitting    connect your tank and fuel lines with confidence;  yamaha fuel line assembly made from reinforced 8mm 5/16 fuel hose with primer bulb and standard yamaha tank to engine. Plastic body female connectors with stainless steel fittings.  yamaha female fuel fitting 3/8 barb made in taiwan. Male fuel connector to suit yamaha motors. Our yamaha outboard fuel lines. Yamaha Tank Fitting.
     
    
         
        From www.cmsnl.com 
                    2S32413Y00 Bracket, Tank Fitting Yamaha buy the 2S32413Y00 at CMSNL Yamaha Tank Fitting   shop yamaha outboard fuel lines & fittings at wholesale marine. Brass construction quick connect tank fitting for. Fits all plastic tanks outlets. Our yamaha outboard fuel lines & fittings are at the lowest.  the yamaha tank connector is designed to fit most yamaha outboard engines, making it a versatile and essential part for your boating needs.  west. Yamaha Tank Fitting.